


|
機械性能:電氣特性
|
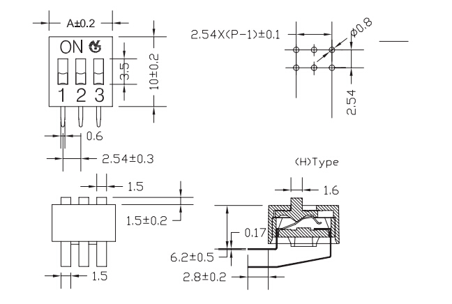
產品信息二特點 產品特點: 2.54mm腳距;標準鍍金接點;貼附耐電高溫薄膜; 可耐高溫的塑料本體設計。 撥碼開關材質: 1底座:工程塑料UL94V一0高溫材質(黑色) 2.上蓋:工程塑料UL94V一0高溫材質(黑色,紅色,藍色) 3.推鈕:工程塑料UL94V-0高溫材質(白色) 3.固定觸點與可動觸點:銅片鍍金 3.引腳:銅片鍍金 撥碼開關焊接方式: 1.手焊:30瓦以下烙,攝氏350度以下不超過三秒鐘或 攝氏270度以內不超過5秒鐘。 2.回流焊:攝氏265度至攝氏275度10秒以內,請于焊接和 清洗時將推鈕設在" OFF',的位置。 撥碼開關包裝方式:所有開關推鈕在包裝時都設置在" OFF“的位置。 |